1 week
Thermo Fisher Scientific Inc. THM942339321061
Multi-Element Lamps - Uncoded - Calcium / Magnesium / Silicon
468 /Each
Merck KGaA SVLP09050
Durapore® Membrane Filter, 5.0 µm
235 /Each
Thermo Fisher Scientific Inc. THM70.181
Versa Chain Checkweigher
Special offer /Each
Agilent Technologies G7137-68711
Multidraw kit for G7137A. 1290 infinity II Bio-Multisampler, includes 1 each: Extended Seat Capillary MP35N 1500µl, Extended Seat Capillary MP35N 500µl, Fitting Union (ZDV) MP35N
1074 /Each
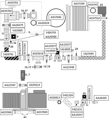
Thermo Fisher Scientific Inc. THM105447
GASKET, DOOR (RPO)
112 /Each
Thermo Fisher Scientific Inc. THM064298
ProSwift™ RP-3U PSDVB Reversed Phase HPLC Column, Monolith, 4.6 mm x 50 mm, 4.6 × 50 mm, Monolith
636 /Each
Regis Technologies, Inc. REG1-592202-300
REFLECT I-Cellulose B - 5 µm, 1000Å, 10 cm x 4.6 mm ID
1071 /Each
Thermo Fisher Scientific Inc. THM23043566
Cable Transfer Line Polaris 115V
105 /Each
Thermo Fisher Scientific Inc. THM50806
Control Cable Assembly
80 /Each
Thermo Fisher Scientific Inc. THM805-952-00
COVER BOTTOM PANEL
58 /Each
Waters Corporation WATS-176001883
UPLC Method Development Scouting Kit, 3 mm x 50 mm, 4/pk
4140 /Each
Merck KGaA MK150799
Purospher® RP-18 endcapped (5µm) LiChroCART® 125-3